Sample service
Sample service
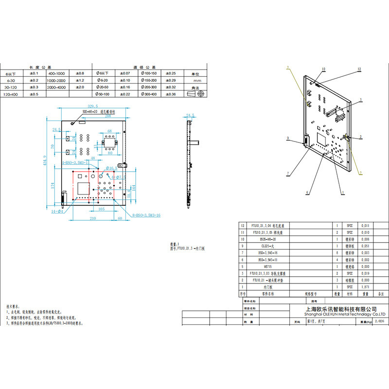
1. Design drawing --- Our engineering department, where professional engineers will create professional drawings based on your physical samples, provide you with unique ideas, and we will wholeheartedly meet your design requirements.
2. Sample Production --- Our technical department, where technicians and engineers will accurately produce physical samples based on your design drawings for verification.
3. Professional Quote --- Submit your drawings or physical samples.
